
產品名稱:FSZL-III縱向撕裂開關廠家報價,品牌:山東卓信
產品型號:FSZL-III
詳細說明
FSZL-III縱向撕裂開關(防撕裂保護裝置)用于膠帶機縱向撕裂保護,縱向撕裂保護開關工作原理: FSZL-K型撕裂開關安裝在帶式輸送機頭部,上行皮帶下面,當有尖銳異物穿透皮帶觸碰撕裂開關攔索或物料散落到撕裂開關繩索時撕裂開關動作,輸出信號,供給控制室,使膠帶機停止防止事故擴大。縱向撕裂保護開關安裝在落料槽下部,上行膠帶的下面。落料時,當有尖銳物體穿透膠帶后,擠壓感知體(鋼絲繩)鋼絲繩受力后拉動啟動微動開關,輸出停機信號。故障排除后,自動復位,輸送機可重新起動。,撕裂開關特點:結構簡單牢固,不需要維護,可多次反復使用鑄鋁外殼帶動防護層整體式蓋板,易于接線作用力只需要0.9Kg即可觸發開關與進口產品安裝尺寸一致。撕裂開關安裝與使用:隨著距離的增加,將全屬球從球窩中拉出所需要的力度應相應的也增大。因此應該考慮延伸另一端的安裝繩纜以及相應連接點的固定。第三個撕撕裂開關應安裝在一個撕裂檢測器的相應位置以有效的保護輸送帶輸送帶易損壞的部分局限在皮帶上的表面部位。這就導致當撕裂開關安裝在輸送皮帶的下表面下面時起步了作用。然而皮帶順壞的部分將露在回程皮帶的底面。為了檢測這種類型的皮帶損壞可將檢測器安裝在回程皮帶的下表面,這就是輸送帶提供可靠的保證。撕裂檢測器必須安裝在足夠的高以確保繩纜能保護整個皮帶截面。也就是說纜繩必須距皮帶下不表面足夠近的距離小于5cm,以能夠檢測中間以及邊緣部位。,感知器能快速將撕裂隱患信號檢測出來,立即發出自動報警、停機信號。
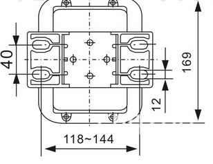
防撕裂開關FSZL-III安裝與使用
本裝置由兩個檢測器組成,分別安裝在輸送帶左,撕裂開關技術特點: 1. 撕裂開關采用獨特皮帶上托棍異常受力分析原理,開發了專用傳感器進行托棍組異常受力的實時檢測,是一項縱裂發生之前的事前檢測技術; 2. 調整方便,使用操作簡單,適用各種皮帶運輸機工況條件; 3. 可靠性好、結構緊湊、安裝簡捷、維護費用低; 4. 撕裂開關具有兩級動作設定無源觸點輸出(常開或常閉AC220V/1A)。,右兩側,隨著膠帶寬度距離的增加,將金屬球從球窩中拉出所需要的力度應相應的也增大。因此應該考慮延伸到別一羰的 安裝繩纜以及相應連接點的固定。第二個裝置,應安裝在第一個裝置在相應(相同高度)位置,以有效的保護輸送帶輸送帶易損壞的部分局限在皮帶上的表面部位。這就導致當裝置安裝在輸送皮帶的下表面下面時起不了作用。然而皮帶損壞的部位將露在回程皮帶的底面。為了檢測這種類型皮帶損壞可將檢測器安裝在回程皮帶的下表面,撕裂保護裝置用于皮帶出現撕裂、翟破、交結處損壞或者鋒利物凸出皮帶時,撕裂開關能給監視人員提供報警信號或關平輸送機電源。撕裂保護裝置工作原理:縱向撕裂檢測器是關為昂貴的皮帶提供可靠的保護,撕裂保護裝置可在眼帶出現撕裂,斷裂,重疊或尖銳物體劃破皮帶時,撕裂檢測器能給監視熱暖提供報價信號或關閉輸送機。撕裂檢測器成對安裝在傳送帶兩側,有兩段鋼絲繩連接(鋼絲繩為覆塑外套護層)。繩的一端永 固定在支撐托架上,防止繩纜丟失,另一端連接在撕裂開關的彈簧球上,兩段鋼繩在皮帶下面形成一個閉合回路,當物體或撕裂的皮帶懸吊下來,掃落到一條或兩條鋼絲繩時,彈簧球被拉出底座,撕裂開關發出報警信號或停機信號,事故處理完畢后,將彈簧球從新裝入底座,撕裂開關消除警報信號,簡便有效的為輸送皮帶可能出現的順壞提供可靠及穩定的報警,停機保護,撕裂檢測器盡管遠離簡單,但是起了相當重要的作用,堅固的殼體,重載結構、簡單的安裝方式,使的撕裂檢測器的任何惡劣環境下工作。,這就為輸送帶提供更可靠的保證。可同時在上行皮帶下表面安裝同款裝置。

FSZL-III縱向撕裂開關技術參數
環境溫度:-30℃~+60℃
相對濕度:不大于85%
工作電壓:AC 220V
觸點容量:380V 5A
觸點數量: 2組微動開關
產品樣式:手柄式
動作力:5KG
可靠性:>1000000次
防護等級:IP67
安裝支架不隨開關提供,需另購買
FSZL-III防撕裂保護裝置必須安裝在足夠的高度以確保繩纜能保護整個皮帶截面。也就是說繩纜必須距皮帶下部表面足夠近,距離小于5CM,以能夠檢測中音已經邊緣部位。

江蘇省:南京 無錫 常州 揚州 徐州 蘇州 連云港 鹽城 淮安 宿遷 鎮江 南通 泰州 常熟
四川省:成都 樂山 雅安 廣安 南充 自貢 瀘州 內江 宜賓 廣元 達州 資陽 綿陽 眉山
山東省:濟南 濰坊 淄博 威海 棗莊 泰安 臨沂 東營 濟寧 煙臺 菏澤 日照 德州 聊城
安徽省:合肥 蕪湖 亳州 馬鞍山 池州 淮南 淮北 蚌埠 巢湖 安慶 宿州 宣城 滁州 六安
新疆:烏魯木齊 克拉瑪依 伊寧 喀什 奎屯 石河子 哈密 庫爾勒 昌吉 阿克 蘇 和田 阿爾泰 塔城 吐魯番 博樂 阿圖什 阜康 烏蘇
內蒙古:呼和浩特 呼倫貝爾 包頭 赤峰 烏海 通遼 鄂爾多斯 烏蘭察布 巴彥淖爾
山西省:太原 大同 陽泉 長治 臨汾 晉中 運城 晉城 忻州 朔州 呂梁
河北省: 石家莊 保定 秦皇島 唐山 邯鄲 邢臺 滄州 承德 廊坊 衡水 張家口
寧夏:銀川 固原 青銅峽 石嘴山 中衛
青海省:西寧
甘肅省:蘭州 白銀 武威 金昌 平涼 張掖 嘉峪關 酒泉 慶陽 定西 隴南 天水
陜西省:西安 咸陽 榆林 寶雞 銅川 渭南 漢中 安康 商洛 延安
西藏:拉薩 阿里
云南省:昆明 玉溪 大理 曲靖 昭通 保山 麗江 臨滄
貴州省:貴陽 安順 遵義 六盤水
廣西省:南寧 賀州 柳州 桂林 梧州 北海 玉林 欽州 百色 防城港 貴港 河池 崇左 來賓
湖南省:長沙 郴州 婁底 衡陽 株洲 湘潭 岳陽 常德 邵陽 益陽 永州 張家界 懷化
山東省:荊門 咸寧 襄樊 荊州 黃石 宜昌 隨州 鄂州 孝感 黃岡 十堰
河南省:鄭州 洛陽 焦作 商丘 信陽 新鄉 安陽 開封 漯河 南陽 鶴壁 平頂山 濮陽 許昌 周口 三門峽 駐馬店 濟源
江西省:南昌 贛州 景德鎮 九江 萍鄉 新余 撫州 宜春 上饒 鷹潭 吉安
黑龍江:伊春 牡丹江 大慶 雞西 鶴崗 綏化 雙鴨山 七臺河 佳木斯 黑河 齊哈爾
吉林省:吉林 通化 白城 四平 遼源 松原 白山
遼寧省:盤錦 鞍山 撫順 本溪 鐵嶺 錦州 丹東 遼陽 葫蘆島 阜新 朝陽 營口
浙江省:杭州 紹興 溫州 湖州 嘉興 臺州 金華 舟山 衢州 麗水
廣東省:江門 佛山 湛江 韶關 中山 茂名 肇慶 陽江 惠州 潮州 揭陽 清遠 河源 汕尾 云浮
雙向拉繩開關HF.KLT2-II-S
拉繩開關YBLX-KLT2/II
雙向拉繩開關YG13-850-II
防爆拉繩開關JYB/CB-1
雙向拉繩開關;YG13-850-II
接近開關Ni10-P18SK-AZ3X IP67
接近開關Ni8-M18-AP6X-E6X IP66
防爆拉繩開關SPS-2-FM AC220V
防爆跑偏開關ROS-2-FM AC220V
接近開關NJ40-FP-SN-P1 IP66
拉繩開關LLP6A-L 自動復位
雙向拉繩開關 LK-IS 380VAC 5A
Copyright © 山東卓信機械有限公司 版權所有 魯ICP備12019670號
全國服務電話:0537-2839666 傳真:0537-2228358 百度地圖 打滑開關
公司地址:山東省濟寧高新經濟技術開發區 音叉開關