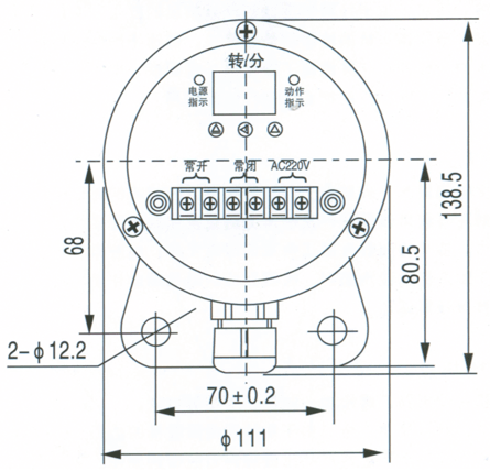
產品型號:HQSK600/10
欠速開關HQSK600使用說明書
欠速開關主要用于監測皮帶或其他旋轉設備運行速度的裝置。當皮帶速度或轉動速度降低到設定范圍時,打滑開關:DH-3、DH-III、XT-SS-ID、XT-SS-1、XLDH-II、JDK-1、QDH-III、DH03E-1-W、SJK-1、SWEB001-2S/K、 BDH-III、MSD-3、DH02E-1-W、YHSJ-J、XT-SS-II、DH-LLI、GHLL-II、JDK-2、YHDH-2、XLDH-I、DH-II、SJK-01、YB/RDC-B、RH60-JC、YHSJ-II、YHSJ-I、XD-SS-II、XL-SJ-I、JYB-RDC-C、DH03E-1-W、ZXDH-III、XTD-SH、DH-I、SMS-PXK-B1、DH01E-1-W、XDH-HL、XLDH-F-S、SMS-PXK-BI、DHJY-II、SJK-I、QDH-II、KBJ-220Y、DH-1、DH02E-1-TH、DH-LLI、KGS-II、KGS-12S、DH-2、JYB/RDC-C、9SFAB-3HD、DH01E-1-TH、EXDH-III、XT-SS-1D、RH60-JC(DH-X、DH-F2、DH-SJ)、XT-SS-III、HQSK600/10,欠速開關輸出信號用于報警或停機。欠速開關采用防風雨、抗腐蝕的密封外殼內,工作原理:DH系列非接觸打滑開關是通過檢測其探頭處電容的周期性變化工作的。如果被傳動軸、輪的端面或圓周面存在“不平整處",只要將打滑開關探頭對著有不平整處的部位安裝即可;如果找不到“不平整處"(軸、輪的端面平整且圓周面均勻光滑),只需在軸、輪的檢測處人為制造“不平整點"(在被檢測的面上加貼一小塊薄金屬片)即可。當電動機轉動時,通過轉動裝置驅使被傳動軸、輪轉動,打滑開關檢測到探頭電容周期變化時保持閉合狀態。當設備發生卡轉、堵轉、皮帶打滑、傳動帶脫落等故障時,被傳動軸將慢轉或停轉,打滑開關檢測到探頭電容的變化周期明顯變長,此周期如超過正常變化周期的兩倍之多,打滑開關將由閉合狀態轉為斷開。打滑開關如按“設備保護接線參考圖"接線時,可用來保護設備;如按“檢測轉動/停轉接線參考圖"接線時,可用來檢測“轉動"。,允許在惡劣環境中使用。

欠速開關HQSK600/10技術規格
電壓:85~265VAC, 50 Hz
工作溫度: -40℃~+70 ℃
輸出:
報警觸點:0.22A / 220 VAC,產品名稱:打滑檢測器,打滑開關,皮帶機專用打滑開關,輸送帶速度檢測器可用于DH02E-1-WW輸送皮帶運行速度的監測,當被監測的運輸皮帶的運行速度低于預先設定值時,它能發出報警或停機信號,可有效地避免事故的發生和擴大。打滑開關可應用于冶金、煤炭、礦山、水泥、電力、糧食等行業的皮帶運輸機中,是物料輸送系統中實現自動控制所不可缺少的監控裝置。,繼電器型,常開
模擬輸出:4~20mA ,800 ohms
傳感器電源: +24V, 100mA
操作范圍: 3~3000脈沖/分
欠速開關HQSK600/10特點
非接觸接近探測器,壽命長、維護費用低
兩螺栓固定,確保安裝簡單
一體化結構,集成的控制裝置,設定或故障檢修簡單
無運動部件、無磨損、安全壽命長
報警/延遲——旋轉設備起動過程中尚未達到工作速度時,10秒鐘延遲報警
延遲報警-當速度下降到設定點以下時延時報警
模擬輸出可選
欠速開關HQSK600/10應用范圍
各種旋轉設備


撕裂開關ESKW-011 (250VAC 5A
耐高溫行程傳感器XDT-2KH
轉速傳感器 XS12JK3P/Y
速度傳感器SS30-12A
NS380-5-60接近開關
磁性開關,SR-101,DC5-50V
不銹鋼雙向事故控制器GYALS-4P
智能速度檢測器GA-30201
KCY-1防爆磁性接近開關
阻旋料位開關SLD-ZX80
接近開關LG15-S30-2A1 AC220V
NS-380-5-25接近開關NS傳感頭
YG13-850-I,打滑開關HQZS-001SPT/D是一種費用低。可靠性強、對軸轉速及其他旋轉裝置簡單通用的監測裝置。打滑開關放置在防風雨的密封、抗腐蝕外殼內,允許暴露在惡劣環境中工作。非接觸接近探測器,壽命長、維護費用低.兩螺栓固定,確保安裝簡單一體化結構,集中的控制裝置,設定或故障檢修簡單無運動部件、無磨損、安全壽命長。打滑開關啟動延遲,旋轉設備起動過程中尚未達到工作速度時,10秒鐘延遲報警。,YG13-850-II 雙向拉繩開關
微電腦超速開關LY1G-2/600D-75
接近開關IM12-04NNS-ZW1
拉線開關DLX-K2/J
FMYK-D-C15LW接近開關
DH-SA速度檢測儀
接近開關GA-M04247
耐高溫接近開關YSLJ-SXKZQ-25M
LFB-1薄膜式料位計
山東卓信公司專業生產銷售:氣動元件、接近開關、磁性開關、光電開關、皮帶輸送保護系統、雙向拉繩開關、兩級跑偏開關、打滑開關、溜槽堵塞開關、縱向撕裂開關、霍爾傳感器、傾斜開關、井筒開關、礦用防爆磁性接近開關、欠速開關、電梯開關、失速開關等。
Copyright © 山東卓信機械有限公司 版權所有 魯ICP備12019670號
全國服務電話:0537-2839666 傳真:0537-2228358 百度地圖 打滑開關
公司地址:山東省濟寧高新經濟技術開發區 音叉開關