產品型號:HQSK600/10
欠速開關HQSK600/10\220VAC
欠速開關HQSK600使用說明書
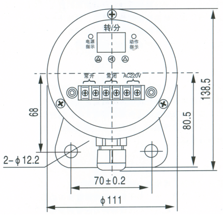
欠速開關主要用于監測皮帶或其他旋轉設備運行速度的裝置。當皮帶速度或轉動速度降低到設定范圍時,打滑開關使用安裝:感應面與開關閘的距離4mm為佳,感應點可以是從動輪處凸出(面)部分(鐵類),也可以采用凹面作為感應面。如果從動輪側面無凹凸面,可以在從動輪內側骨架上焊接一厚度為7mm鐵片作感應面。感應面面積必須大于開關感應面(出廠時已配感應面)注:有些輸送機從動輪無法安裝的,打滑開關可安裝在于膠帶緊密接解且在膠帶運行中不會出現脫離膠帶能正常運轉的轉軸或滋輪處。某些安裝位置可能需要現場制作安裝支架,特殊情況下,如需要從新調節開關速度是時,打滑開關在安裝好開關后,啟運輸送機。在輸送機正常速度下逆時針方向調整開方微開關內部電位器,調整到動作指示燈連接方式:接線方式參照標牌所標線色。,欠速開關輸出信號用于報警或停機。欠速開關采用防風雨、抗腐蝕的密封外殼內,允許在惡劣環境中使用。

欠速開關HQSK600/10技術規格
電壓:85~265VAC, 50 Hz
工作溫度: -40℃~+70 ℃
輸出:
報警觸點:0.22A / 220 VAC,打滑開關HQZS-001SPT/D是一種費用低。可靠性強、對軸轉速及其他旋轉裝置簡單通用的監測裝置。打滑開關放置在防風雨的密封、抗腐蝕外殼內,允許暴露在惡劣環境中工作。非接觸接近探測器,壽命長、維護費用低.兩螺栓固定,確保安裝簡單一體化結構,集中的控制裝置,設定或故障檢修簡單無運動部件、無磨損、安全壽命長。打滑開關啟動延遲,旋轉設備起動過程中尚未達到工作速度時,10秒鐘延遲報警。,繼電器型,常開
模擬輸出:4~20mA ,非接觸欠速(打滑)開關是一種經濟、可靠性強、對軸轉速及其它旋轉裝置簡單通用的監測裝置。當監測到當前轉速信號低于或高于正常轉速范圍開關輸出一組開關信號,以供報警或停機。外殼采用防水防塵設計可直接安裝在惡劣環境中使用。非接觸接近探測器,壽命長、維護費用低,兩螺栓固定,確保安裝簡單,一體化結構,集中的控制裝置,設定或故障檢修簡單,無運動部件、無磨損、安全壽命長。,800 ohms
傳感器電源: +24V, 100mA
操作范圍: 3~3000脈沖/分
欠速開關HQSK600/10特點
非接觸接近探測器,壽命長、維護費用低
兩螺栓固定,確保安裝簡單
一體化結構,集成的控制裝置,打滑開關是一種經濟、可靠性強、對軸轉速及其他旋轉裝置簡單通用的監測裝置,當檢測到目前轉速信號低于或高于正常轉速范圍,開關輸出一組開關信號,以供報警或停機。打滑開關無運動部件、無磨損、安全壽命長,一體化結構,集中的控制裝置,設定或故障檢修簡單。外殼彩用防水防塵的設計兩螺固定殼體,可直接安裝在惡劣環境中使用。面板操作說明打滑開關是氣動元件、礦用電器、接近開關、光電開關、霍爾傳感器、磁性開關、速度傳感器、齒輪傳感器、兩級跑偏開關、雙向拉繩開關、打滑開關、皮帶打滑檢測裝置、料位監測器、速度檢測器、打滑開關、堆煤開關、煤流開關、傾斜開關、撕裂開關、皮帶輸送裝置控制柜、聲光報警器等工控電器,集開發、制造、銷售與一體。,設定或故障檢修簡單
無運動部件、無磨損、安全壽命長
報警/延遲——旋轉設備起動過程中尚未達到工作速度時,10秒鐘延遲報警
延遲報警-當速度下降到設定點以下時延時報警
模擬輸出可選
欠速開關HQSK600/10應用范圍
各種旋轉設備


撕裂開關ESKW-011 (250VAC 5A
耐高溫行程傳感器XDT-2KH
轉速傳感器 XS12JK3P/Y
速度傳感器SS30-12A
NS380-5-60接近開關
磁性開關,SR-101,DC5-50V
不銹鋼雙向事故控制器GYALS-4P
智能速度檢測器GA-30201
KCY-1防爆磁性接近開關
阻旋料位開關SLD-ZX80
接近開關LG15-S30-2A1 AC220V
NS-380-5-25接近開關NS傳感頭
YG13-850-I,YG13-850-II 雙向拉繩開關
微電腦超速開關LY1G-2/600D-75
接近開關IM12-04NNS-ZW1
拉線開關DLX-K2/J
FMYK-D-C15LW接近開關
DH-SA速度檢測儀
接近開關GA-M04247
耐高溫接近開關YSLJ-SXKZQ-25M
LFB-1薄膜式料位計
山東卓信公司專業生產銷售:氣動元件、接近開關、磁性開關、光電開關、皮帶輸送保護系統、雙向拉繩開關、兩級跑偏開關、打滑開關、溜槽堵塞開關、縱向撕裂開關、霍爾傳感器、傾斜開關、井筒開關、礦用防爆磁性接近開關、欠速開關、電梯開關、失速開關等。
Copyright © 山東卓信機械有限公司 版權所有 魯ICP備12019670號
全國服務電話:0537-2839666 傳真:0537-2228358 百度地圖 打滑開關
公司地址:山東省濟寧高新經濟技術開發區 音叉開關