兩極跑偏開關用于輸送機膠帶跑偏的檢測,防止由于膠帶跑偏而造成物料溢出等故障。是輸送機自動化控制不可缺少的傳感元件。本產品由于安裝方便、開關性能可靠,在輸送機膠帶中廣泛應用。山東卓信膠帶跑偏開關THP-10-45兩級跑偏開關

【詳細說明】
膠帶跑偏開關THP-10-45兩級跑偏開關說明
卓信電氣生產的THP系列跑偏開關:THP-12-30兩級跑偏開關,THP-10-45兩級跑偏開關,THP-20-35兩級跑偏開關
一.概述
兩極跑偏開關用于輸送機膠帶跑偏的檢測, 兩級跑偏開關安裝和調整 1.跑偏開關設在輸送帶兩側,立輥應與輸送帶邊平面垂直,并使輸送帶兩邊位于立輥高度1/3處。 2.跑偏開關立輥與輸送帶正常位置的間距宜為50~100mm。 3.跑偏開關數量應根據輸送機長度、類型及布置情況進行確定。兩級跑偏開關一般應在輸送機頭部、尾部、凸弧段、凹弧段和在輸送機中間位置進行設置。(注:當輸送機較長時,在輸送機中間位置可每隔30~35米設1對) 4.跑偏開關應通過安裝支架與輸送機中間架連接,開關支架應在輸送機安裝完成后與輸送機機架焊接,跑偏開關與跑偏開關支架用螺栓固定。,防止由于膠帶跑偏而造成物料溢出等故障。是輸送機自動化控制不可缺少的傳感元件。本產品由于安裝方便、開關性能可靠, 兩級跑偏開關安裝和調整 1.跑偏開關設在輸送帶兩側,立輥應與輸送帶邊平面垂直,并使輸送帶兩邊位于立輥高度1/3處。 2.跑偏開關立輥與輸送帶正常位置的間距宜為50~100mm。 3.跑偏開關數量應根據輸送機長度、類型及布置情況進行確定。兩級跑偏開關一般應在輸送機頭部、尾部、凸弧段、凹弧段和在輸送機中間位置進行設置。(注:當輸送機較長時,在輸送機中間位置可每隔30~35米設1對) 4.跑偏開關應通過安裝支架與輸送機中間架連接,開關支架應在輸送機安裝完成后與輸送機機架焊接,跑偏開關與跑偏開關支架用螺栓固定。,在輸送機膠帶中廣泛應用。膠帶跑偏開關THP-10-45兩級跑偏開關
二.技術參數
技術要求
型號
動作角度
極限角度
動作力
(Kg)
輸出
負載電流
復位方式
1級
2級
NO
NC
THP-12-30
12?
30?
70?&plun;1
10
2
2
自動
THP-10-45
10?
45?
70?&plun;1
10
2
2
自動
THP-20-35
20?
35?
70?&plun;1
10
2
2
自動
三.結構特點
1. 本產品采用鋁合金鑄造殼體、強度高、重量輕。
2. 外殼防護等級達到IP65,可在惡劣環境下長期工作。
3. 機內采用進口進口微動開關、動作靈敏、穩定性高、性能可靠。
四.工作原理
工作原理 當膠帶運輸機現場發生緊急事故時,可拉動系于擺臂上的鋼絲繩,使擺臂旋轉而帶動機內凸輪并感應微動開關,使用與安裝:防偏開關可固定在輸送機縱梁頂部或底部,動作桿距皮帶邊緣約25mm。通常安裝在皮帶兩側距頭部或尾部0.3-2米的地方。當皮帶跑偏時,迫使動作桿偏離,觸動報警開關。兩級跑偏開關如果繼續偏離,觸動別一組開關,輸送機就會保護性停機。,發出停機信號。
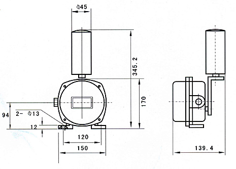
五.外型尺寸

,防偏開關
雙向拉繩開關XT-PLS-II
雙向拉線開關XT-PLS-I
兩級跑偏開關XT-PK-20-35
兩級跑偏開關XT-PK-10-45防偏開關生產
兩級跑偏開關XT-PK-12-30 跑偏開關圖
聲光警示器 XT-FZ-C1 220VAC
跑偏開關THP-12-30
防偏開關THP-10-45
糾偏開關THP-20-35
ELAP-20皮帶跑偏開關
ELPP-22溜槽堵塞開關
MPPF-15滿量開關
ESPB-03電子速度開關
ESRW-102速度開關閉器
ESRW-322速度開關閉器
ESRW-102速度開關閉器(磁力式)
Copyright © 山東卓信機械有限公司 版權所有 魯ICP備12019670號
全國服務電話:0537-2839666 傳真:0537-2228358 百度地圖 打滑開關
公司地址:山東省濟寧高新經濟技術開發區 音叉開關