【詳細說明】
HFKPT2-20-35防爆跑偏開關 價廉
HFKPT2系列兩級跑偏開關系我公司組織科研人員開發研制的新一代產品,可用于輸送機膠帶跑偏的檢測,防止由于膠帶跑偏而造成物料溢出等故障。是輸送機自動化控制不可缺少的傳感元件。本產品由于安裝方便、開關性能可靠,跑偏開關(Belt Sway Switches)又稱防偏開關。兩級跑偏開關用于檢測帶式輸送機運行中的跑偏現象,按皮帶實際跑偏量輸出報警或停機信號,可有效的防止由皮帶跑偏而產生的事故。 跑偏開關起帶式輸送現場的保護作用,因此必須達到指定的IP防護等級。 兩級跑偏開關分兩個位置檢測輸送機皮帶的跑偏程度和扭曲程度。根據皮帶的跑偏程度和扭曲程度,實現自動報警和停機,避免昂貴的輸送皮帶受損壞及因皮帶扭曲造成的物料散落等事故。此開關安裝方便,運行可靠,是帶式輸送機必備的保護裝置之一。,在輸送機膠帶中廣泛應用。
一、主要用途及適用范圍
HFKPT2系列兩級跑偏開關系我公司組織科研人員開發研制的新一代產品,可用于輸送機膠帶跑偏的檢測,防止由于膠帶跑偏而造成物料溢出等故障。是輸送機自動化控制不可缺少的傳感元件。本產品由于安裝方便、開關性能可靠,兩級跑偏開關適用范圍 兩級跑偏開關用于常規皮帶輸送機:地下、索道支撐皮帶輸送機:輪船裝卸系統;堆垛/取料輸送機;傾斜和梭式輸送機;起重機、挖掘機,起重臂限位:裙邊給料機/輸送機:重型極限開關檢測膠帶的跑偏量,是實現膠帶機控制的自動報警和停機的保護裝置。兩級跑偏開關廣泛用于冶金、煤炭、水泥建材、采礦、電力、港埠、冶金、化工等領域的各種帶式輸送設備。,在輸送機膠帶中廣泛應用。
二、技術性能和主要參數
產品型號 HFKPT1―□―□ 開關觸點數量
1級為常開、2級為常閉 觸點容量 AC 220V 380V ≤
開關動作角度
1級:10⪚ 12⪚ 20⪚; 2級:30⪚ 35⪚ 45⪚ ; 極限角度≤60⪚ 工作環境 相對濕度:≤90(25℃);海拔高度:2000M;工作溫度:-30~+40℃
外殼材料 鋁 防護等級 IP65 重量(kg) 2.0
接口方式
單出線口,也可定做雙出線口。
三、結構特點 卓信HFKPT2-20-35防爆跑偏開關 價廉
1.本產品采用鋁合金鑄造殼體、強度高、重量輕。 2.外殼防護等級達到IP65,兩級跑偏開關適用范圍
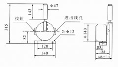
兩級跑偏開關用于常規皮帶輸送機:地下、索道支撐皮帶輸送機:輪船裝卸系統;堆垛/取料輸送機;傾斜和梭式輸送機;起重機、挖掘機,起重臂限位:裙邊給料機/輸送機:重型極限開關檢測膠帶的跑偏量,是實現膠帶機控制的自動報警和停機的保護裝置。兩級跑偏開關廣泛用于冶金、煤炭、水泥建材、采礦、電力、港埠、冶金、化工等領域的各種帶式輸送設備。,可在惡劣環境下長期工作。 3.本產品動作靈敏、穩定性高、性能可靠,外形結構參見下圖。
四、工作原理
當膠帶運輸機現場發生緊急事故時,可拉動系于擺臂上的鋼絲繩,使擺臂旋轉而帶動機內凸輪并感應微動開關,發出停機信號。
五、安裝調整
1.將跑偏開關固定在支架上,然后安裝在膠帶機上。
2.立輥線與膠帶平面垂直,邊緣距離為L=50~100mm(殼體安裝孔可移位。) 3.立輥下端1/3處。
4.每100m膠帶可安裝跑偏開關3對(6臺)詳見下圖。
六、產品安裝使用注意事項
1.產品外殼設有接地端子,用戶在安裝使用時可靠接地。 2.安裝現場應不存在對鋁合金有腐蝕作用的有毒氣體。 3.產品的維修在場所進行,或當現場確認無可燃性粉塵存在時方可進行。 4.本拉繩開關外殼保持清潔,粉塵堆積厚度不大于3mm。
七、訂貨須知
1、注明型號、數量、供貨日期。 2、對開關觸點數量有特殊要求時應予以注明。 3、覆塑鋼絲繩及繩夾子、托繩環、安裝支架。需單獨訂購。 注:訂購時應予以注明。
礦用HFKPT2-20-35防爆跑偏開關 價廉
皮帶跑偏開關HFKPT2-20-35防爆跑偏開關 價廉
行程開關盒FJK-110LE-HXJSN
TLS-ZR雙向拉繩開關
TLS-I雙向拉繩開關
TLS-II雙向拉繩開關
FLK-Ⅱ雙向拉繩開關
雙向拉繩開關NTZH_9SLS-321
雙向拉繩開關PJZS-3145S/2
拉繩開HFKLT2-II
雙向拉繩開關S170-T-2
兩級跑偏KPT2-Ⅱ
跑偏開關GML-KT360H/GS
拉繩開關GML-KT220H/GL
Copyright © 山東卓信機械有限公司 版權所有 魯ICP備12019670號
全國服務電話:0537-2839666 傳真:0537-2228358 百度地圖 打滑開關
公司地址:山東省濟寧高新經濟技術開發區 音叉開關