拉繩開關 發布時間:2018-05-28 已獲點擊:134 詳細說明 雙向拉繩開關SRED-QS-W01高低壓配件 拉繩開關" />

產品型號:SRED-QS-W01
詳細說明
雙向拉繩開關SRED-QS-W01高低壓配件
拉繩開關SRED-QS-W01原理
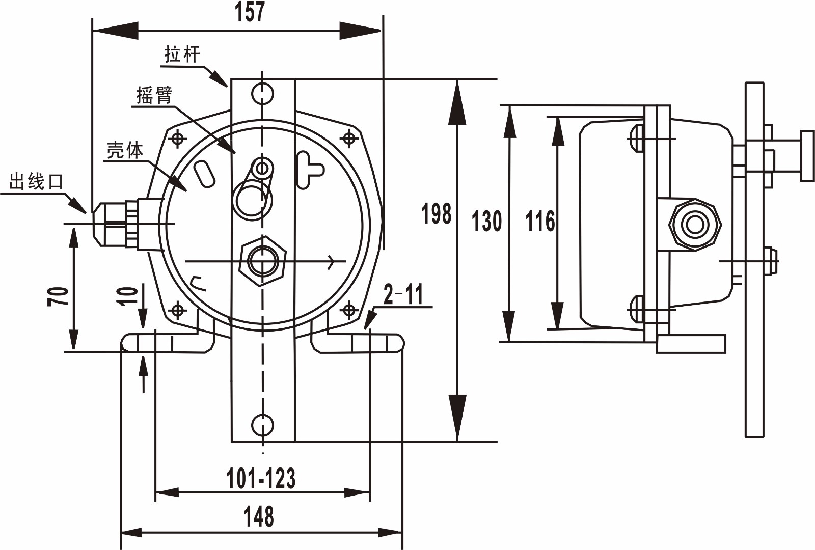
雙向拉繩開關主要是由拉桿、凸輪、復位柄、鎖槽、微動開關等部件組成。拉繩開關安裝于皮帶式輸送機兩側機架之上,采用鋼絲繩沿著輸送機設備兩側將開關連接起來。在輸送帶設備發生緊急事故情況下時,在輸送機沿線任意處拉動鋼絲繩,鋼絲繩將會牽動驅動臂開始旋轉,通過傳動軸從而帶動扭力彈簧使精密的凸輪發生位移,驅動雙向拉繩開關切斷控制線路,拉繩開關又叫做緊急停機開關,一般在一些企業里面在使用,不過現在有的農村也還在使用這種雙向拉繩開關,雙向拉繩開關是一種開關型的傳感器,一般是用于皮帶輸送機,包裝生產線,起重機,挖掘機以及水平給料機。雙向拉繩開關屬于一種現場緊急事故停機的一種保護裝置,當有緊急事故發生的時候,人們在現場沿線任意的地方就可以拉動拉繩開關,拉動拉繩的時候就可以發出停機的信號,從而使的機器停止運作,達到保護人身安全的作用,這種開關雖然現在是多數用于企業,不過有的家庭仍然在使用。今天我們就來了解一下拉繩開關的結構和安裝的方法吧。,使得輸送機快速的停止運行。
雙向拉繩開關SRED-QS-W01技術參數
使用環境條件:環境溫度:-30°C-+75°C
相對溫度:不大于85%
動作角度:30°C
極限角度:60°
動作力(kg):≥10kg
觸點數量:常開:1 常閉:1常開:2 常閉:2(訂貨時需注明)
觸點容量:AC380V 5A
復位方式:自動、手動
可靠性:>100000次


DLX-K2/J拉線開關、DLX-K2/D雙向拉繩開關
JYB-KS-1,JYB-KS-2 ,JYB-KS-I,JYB-KS-II,JYB/KS-1,JYB/KS-2 ,拉繩開關又叫做緊急停機開關,一般在一些企業里面在使用,不過現在有的農村也還在使用這種雙向拉繩開關,雙向拉繩開關是一種開關型的傳感器,一般是用于皮帶輸送機,包裝生產線,起重機,挖掘機以及水平給料機。雙向拉繩開關屬于一種現場緊急事故停機的一種保護裝置,當有緊急事故發生的時候,人們在現場沿線任意的地方就可以拉動拉繩開關,拉動拉繩的時候就可以發出停機的信號,從而使的機器停止運作,達到保護人身安全的作用,這種開關雖然現在是多數用于企業,不過有的家庭仍然在使用。今天我們就來了解一下拉繩開關的結構和安裝的方法吧。,JYB/KS-I,JJYB/KS-II,雙向拉繩開關產品出廠時開關觸點數量為一開一閉,如需兩常開、兩常閉,請定貨時注明; 安裝支架,塑鋼絲繩、卡頭、托環等附件用戶可向我公司成套訂購,雙向拉繩開關主要應用在冶金、電力、煤巖、礦山及化工等行業的輸送系統中,雙向拉繩開關是輸送機自動化控制不可缺少的傳感元件,本產品是一種膠帶運輸機現場緊急事故停機的保護裝置。本產品選用優質鋁錠合金精密壓鑄,并采用進口行程開關。雙向拉繩開關具有強度高,重量輕,密封性好,產品使用壽命長等優點。,YF/PK,YF/PK-12-30,產品特征:雙向拉繩開關采用鋁合金精密鑄造殼體,強度高、重量輕。外殼防護達到IP67,可在惡劣環境中工作。受權用進口微動開關觸點容量大、動作靈敏、可靠。拉繩開關主要用于帶式傳送機安全保護及防止膠帶對周邊人員造成傷害,雙向拉繩開關如下:1緊急停機:當膠帶機在運行過程中出現異常情況時,只要拉一下就近的停機線纜就可以將膠帶機下來,避免人身或設備事故的發生。2 雙向拉繩開關禁置啟動:當維修人員沒有撒離或淌存其他異常情況時,只要將拉繩開關鎖定在停機位置,就不用擔心膠帶機被誤啟動,檢修人員的安全也就有了保證。雙向拉繩開關產品使用于電力、煤礦、建材、碼頭冶金等行業,專門從事散料輸送的帶式輸送機。,YF/PK-10-45,YF/PK-20-35、雙向拉繩開關
撕裂開關 SLKG-115-2
傾斜開關NS-T-304
兩級跑偏NS接近開關、NST1-12-30型
傾斜開關DKZ-533QA
拉線開關WSK-E627/E1
傾斜開關 LW101-S 一常開一常閉接點
跑偏控制裝置SBNPB-DP/K2J
SBNZX-SL(ZQ)縱向撕裂檢測裝置
兩級跑偏開關:SBNPB-K2630
拉繩開關/SRED-QS-W01
皮帶防滑開關/SRED-BDS3B-1
皮帶跑偏開關/SRED-TS-WO1
LW02S-Y-W傾斜開關
Copyright © 濟寧卓信機電設備有限公司 版權所有 魯ICP備12019670號
全國服務電話:0537-2839666 傳真:0537-2228358 百度地圖 拉繩開關
公司地址:山東省濟寧高新經濟技術開發區