FJK-PPXLN防爆兩級跑偏開關防水跑偏開關生產
由于產品型號眾多,我司各種電氣規格型號齊全,有任何需求可以與我公司銷售人員聯系,生產各種規格型號的跑偏開關、拉繩開關、傾斜開關、打滑開關、失速開關、溜槽堵塞開關、聲光報警器、限位開關、磁性開關、撕裂開關、料流開關等產品,產品適用范圍廣,用途多,產品銷售國內外100多個國家和地區,銷售電話:15163766288(微信同號)
FJK-PPXLN防爆兩級跑偏開關基本原理
當輸送帶運行中出現跑偏時,輸送帶觸碰開關立輥并使立輥偏轉,當立輥偏轉角度達到1級開關角度時,開關發出信號。當輸送帶跑偏嚴重,達到2級開關角度時,開關發出停機信號,實現輸送帶跑偏故障自動停機。當跑偏故障排除后,膠帶機正常運轉時,開關立輥可自動復位,跑偏開關(Belt Sway Switches)又稱防偏開關。兩級跑偏開關用于檢測帶式輸送機運行中的跑偏現象,按皮帶實際跑偏量輸出報警或停機信號,可有效的防止由皮帶跑偏而產生的事故。,回到初始狀態。
FJK-PPXLN防爆兩級跑偏開關產品簡介
跑偏開關有兩級角度,一般常用的是:角度為:10、12、20.二級角度為:30、35、45.
安裝和調整1.跑偏開關設在輸送帶兩側,立輥應與輸送帶邊平面垂直,并使輸送帶兩邊位于立輥高度1/3處。
2.跑偏開關立輥與輸送帶正常位置的間距宜為50~100mm。
3.跑偏開關數量應根據輸送機長度、類型及布置情況進行確定。一般應在輸送機頭部、尾部、凸弧段、凹弧段和在輸送機中間位置進行設置。(注:當輸送機較長時,跑偏開關(Belt Sway Switches)又稱防偏開關。兩級跑偏開關用于檢測帶式輸送機運行中的跑偏現象,按皮帶實際跑偏量輸出報警或停機信號,可有效的防止由皮帶跑偏而產生的事故。,在輸送機中間位置可每隔30~35米設1對)
4.跑偏開關應通過安裝支架與輸送機中間架連接,開關支架應在輸送機安裝完成后與輸送機機架,跑偏開關與跑偏開關支架用螺栓固定。

1. 額定電壓:AC380V
2.額定電流:
3. 觸點數量:二組的常開、常閉接點
4.外殼防護級別:T型塵密外殼,防護等級IP67
5.周圍環境溫度:-25~80℃
6.開關能在頻率為10-60Hz,振幅為0.75mm(10g)的振動條件下工作
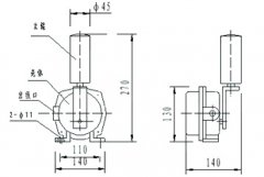
7.外形尺寸:殼體L×W×H(mm)190×135×100。
8.操作力:5~7㎏
9.通訊接口:RS485地址編碼 聯訊(對后綴BM的型號)
適用范圍
兩級跑偏開關用于常規皮帶輸送機:地下、索道支撐皮帶輸送機:輪船裝卸系統;堆垛/取料輸送機;傾斜和梭式輸送機;起重機、挖掘機,輸送機在運行中,當皮帶跑偏且與開關立輥接觸時,立輥自轉,若跑偏量繼續加大,則擠壓立輥發生偏移。一級開關信號用于報警,如果將此信號與跑調整裝置相接,即可實現不停機狀態下的跑偏自動調整。二級兩級跑偏開關信號用于停機,將此信號接至控制線路中,即可實現重度跑偏狀態下的自動停機。當故障排除后,膠帶離開立輥正常運轉時,立輥可自動復位。,本系列跑偏開關具有兩級動作功能。一級動作用于報警,二級動作用于自動停機。膠帶機在運行中,當膠帶跑偏且與本開關立輥接觸時,立輥自轉,若跑偏量繼續加大,則擠壓立輥發生偏移。 當立輥偏轉角度超過12°時,一級開關動作,輸出(報警信號)。 當立輥偏轉角度超過30°時,二級開關動作,輸出(停機信號)。 一級開關信號用于報警,如果將此信號與跑調整裝置相接,即可實現不停機狀態下的跑偏自動調整。 二級開關信號用于停機,將此信號接至控制線路中,即可實現重度跑偏狀態下的自動停機。 當故障排除后,膠帶離開立輥正常運轉時,立輥可自動復位。 兩級跑偏開關為了適應戶外條件下長期使用,本產品均采用整體密封,內部金屬零件進行鍍鋅純化處理,外部零件除殼體外均做多層光亮鍍鉻,殼體為鑄鋁制造,表面采用靜電噴涂技術處理,適宜在惡劣環境下使用。 兩級跑偏開關采用鋁合金精密壓鑄殼體、強度高、重量輕; 外殼防護等級達IP65, 密封性好,防水、防塵,可在惡劣環境中長期工作; 觸點容量大、動作靈敏、可靠,起重臂限位:裙邊給料機/輸送機:重型極限開關檢測膠帶的跑偏量,是實現膠帶機控制的自動和停機的保護裝置。廣泛用于冶金、煤炭、水泥建材、采礦、電力、港埠、冶金、化工等領域的各種帶式輸送設備。
接近開關LJA30-4015K-C24V-M
跑偏開關FJK-PPXLN C24V,1A
閥門反饋裝置FJK-HXXLN1 AC220V 1A
TXC1-2RJ堵煤信號沒控儀
NTS氣動閥反饋裝置 型號:NTS-140-85
跑偏開關XT-GF-KTB
粉塵防爆跑偏開關 型號:HFP-IP 額定電壓:380V 額定電流3A 防爆標志:IPA20TAT6
極限保護器HQQ-8967XC
聲光儀XT-C2QTL 380VAC
20V 雙向 手動復位不銹鋼拉繩開關材質304 型號HQLS-LXB-T1
拉繩開關;HFKLT2-Ⅱ皮帶拉繩開關整改用;手動復位式拉繩開關;電壓AC220V;三線制;帶一常閉、常開輔點
拉繩開關ZX-LSPMIP65
TBA-2磁性開關
HFKLT2-I-Z雙向拉繩開關
拉繩開關 TQ 441-01-01 380V 4A
HFKCT2-11雙向拉繩開關
E50-30A2S、E50-30AJS、E50-R2B1S、E50-R2B2S、E50-R2B12S、E50-R2B3S、E50-R2B4S、E50-R2B34S、E50-R2A1S、E50-R2A2S、E50-R2AJS、E50-M5B1S、E50-M5B2S、E50-M5B12S
FKPT1-Ⅱ-Z 380V 10A (立輥)
帶式輸送機備件拉繩開關LXB-02GKK-T1-B
![]() |









