SJK-1、SJK-11皮帶打滑開關
【詳細說明】
SJK-1、SJK-11皮帶打滑開關
打滑開關用于對輸送機帶速進行線性檢測的新型裝置,對帶速進行實時監測,已廣泛應用于輸送系統中的膠帶上,為膠帶機的運行提供了可靠的檢測手段。當觸輪隨膠帶機運行而旋轉時帶動機內的脈沖盤,非接觸欠速(打滑)開關是一種經濟、可靠性強、對軸轉速及其它旋轉裝置簡單通用的監測裝置。當監測到當前轉速信號低于或高于正常轉速范圍開關輸出一組開關信號,以供報警或停機。外殼采用防水防塵設計可直接安裝在惡劣環境中使用。非接觸接近探測器,壽命長、維護費用低,兩螺栓固定,確保安裝簡單,一體化結構,集中的控制裝置,設定或故障檢修簡單,無運動部件、無磨損、安全壽命長。,在脈沖盤旋轉時傳感器的感應信號輸入到控制電路中去,經放大、后進行計數,其計數值與預置數比較,判斷膠帶的帶速,即:正常帶速、打滑或超速等等。同時,執行電路輸出相應的開關信號。適用于對輸送機帶速進行實時檢測的煤礦行業、電力行業、糧食等行業。
SJK-1、SJK-11皮帶打滑開關技術參數:
1、使用環境條件
a、環境溫度 -15℃~40℃
b、相對濕度 不大于80
2、主要技術參數
a、工作電壓 AC 220V&plun;10
b、輸入信號
c、測速范圍 20~999r/min
、整機功耗 <15W
e、開關形式 常閉型
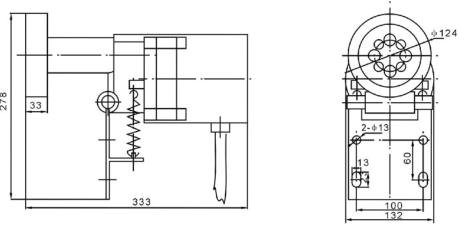
產品圖紙:

山東卓信電氣有限公司主要生產氣動元件、礦用電器、接近開關、光電開關、霍爾傳感器、磁性開關、速度傳感器、齒輪傳感器、兩級跑偏開關、雙向拉繩開關、打滑開關、皮帶打滑檢測裝置、料位監測器、速度、欠速開關、堆煤開關、煤流開關、傾斜開關、撕裂開關、皮帶輸送裝置控制柜、聲光警示器等工控電器,集開發、制造、銷售與一體。 堅持以&lquo;科技求發展,非接觸欠速(打滑)開關是一種經濟、可靠性強、對軸轉速及其它旋轉裝置簡單通用的監測裝置。當監測到當前轉速信號低于或高于正常轉速范圍開關輸出一組開關信號,以供報警或停機。外殼采用防水防塵設計可直接安裝在惡劣環境中使用。非接觸接近探測器,壽命長、維護費用低,兩螺栓固定,確保安裝簡單,一體化結構,集中的控制裝置,設定或故障檢修簡單,無運動部件、無磨損、安全壽命長。,以質量求生存&rquo;為方針目標,以&lquo;服務只有起點,滿意沒有終點&rquo;為原則,工作原理:DH系列非接觸打滑開關是通過檢測其探頭處電容的周期性變化工作的。如果被傳動軸、輪的端面或圓周面存在“不平整處",只要將打滑開關探頭對著有不平整處的部位安裝即可;如果找不到“不平整處"(軸、輪的端面平整且圓周面均勻光滑),只需在軸、輪的檢測處人為制造“不平整點"(在被檢測的面上加貼一小塊薄金屬片)即可。當電動機轉動時,通過轉動裝置驅使被傳動軸、輪轉動,打滑開關檢測到探頭電容周期變化時保持閉合狀態。當設備發生卡轉、堵轉、皮帶打滑、傳動帶脫落等故障時,被傳動軸將慢轉或停轉,打滑開關檢測到探頭電容的變化周期明顯變長,此周期如超過正常變化周期的兩倍之多,打滑開關將由閉合狀態轉為斷開。打滑開關如按“設備保護接線參考圖"接線時,可用來保護設備;如按“檢測轉動/停轉接線參考圖"接線時,可用來檢測“轉動"。,以&lquo;誠實,守信&rquo;作為與客戶合作恪守的商業標準,以&lquo;開拓,,求實,創新&rquo;為企業精神,不斷推進企業的創新,以強大的技術和實力服務于電氣自動化,全力以赴追求。 主要客戶群體: 機械設備、電氣自動化、礦山、電廠、鋼廠、水泥廠、設備廠、機械廠
售前服務
一、 提供技術咨詢:我們會在zui快的時間以內,根據您的需要為您提供任何技術及方面的咨詢、并且郵寄相關樣品及產品資料,或者及時對于您所關心的任何問題給予快速回復等等。
二、提供考察接待:我們歡迎您隨時隨地蒞臨公司現場考察,打滑檢測器安裝使用與接線安裝時,可按下述要求并滿足現場使用條件安裝在帶式運輸機上膠帶的下面,安裝后應保證膠帶有料情況下使打滑檢測器與膠帶面平行,同時膠帶無料運轉時檢測器觸輪與膠帶面應可靠接觸,且安裝位置保證在振動最小和膠帶抖動最小的地方。打滑開關當采用檢測器輸出軸和從動滾筒軸連接檢測膠帶實際帶速的方法時,可按安裝示意圖并選用柔性連軸器以保證產品工作正常。打滑開關使用時只要將產品按安裝示意圖安裝在相應的位置上即可,我廠提供的產品均是按用戶訂貨時提出的要求生產制造的。打滑開關由于理論上的帶速和實際膠帶運行速度有差異,用戶屆時可按我廠提供調整辦法適當的調整以切實適合正常工作狀態。比較、整形后進行計數。其計數值與預置數比較,判斷膠帶的帶速,同時執行電路輸出相應的開關信號。既:在達到低于打滑速度時執行電路輸出相應的開關信號,使主機停機。,并為您提供任何便利條件
售中服務
一、 無論您是國外的客戶還是國內的客戶,無論您是我們的老客戶還是我們的新朋友,無論您的合同經額是大還是小,我們都將誠信、公平、熱情、嚴謹地同一對待;
二、 我們保證守時、保質、保量地嚴格執行合同規定的各項條款,并且為客戶提供的服務等。
售后服務
我們建立了售后服務信息處理系統,24小時跟蹤客戶。
一、 自購買之日起,提供各種技術培訓。
二、 物流:順豐快遞、德邦物流等
運費說明
物流:順豐快遞、德邦物流。目的地:(運輸運費到付,也可含運費送貨)
SJK-1、SJK-11皮帶打滑開關,打滑檢測裝置,打滑速度檢測儀,卓信現貨,咨詢。
Copyright © 山東卓信機械有限公司 版權所有 魯ICP備12019670號
全國服務電話:0537-2839666 傳真:0537-2228358 百度地圖 打滑開關
公司地址:山東省濟寧高新經濟技術開發區 音叉開關