山東卓信出售XLQL-A取料機速度速度水平安裝在上行膠帶和下行膠帶間的輸送機支架上,使觸輪與膠帶表面有一定的壓力防止發生觸輪跳動而產生的錯誤動作,無需工作電源即可工作,當膠帶機運行速度低于本品的設定值時,中的繼電器動作輸出控制信號,速度可任意調節。
【詳細說明】
山東卓信出售XLQL-A取料機速度直銷
工作原理
速度水平安裝在上行膠帶和下行膠帶間的輸送機支架上,使觸輪與膠帶表面有一定的壓力防止發生觸輪跳動而產生的錯誤動作,無需工作電源即可工作,當膠帶機運行速度低于本品的設定值時,中的繼電器動作輸出控制信號,速度可任意調節。
產品結構
1.本產品同繼電器、連接軸、觸輪、支臂等構成.
2.安裝方便,打滑開關HQZS-001SPT/D工作原理盤隨膠帶運行而旋轉時,傳感器的磁感應信號輸入到控制電路中去,經放大、整形后進行計數。其計數值與預置數比較,判斷膠帶機的帶速,即:正常速度、打滑或超速等。同時,執行電路輸出相應的開關信號。當觸輪隨膠帶機運行而旋轉時帶動機內的脈沖盤,在脈沖盤旋轉時引起的磁感應信號的變化輸入到速度傳感器的控制電路中,經電路放大、比較、整形后進行計數。其計數值與預置數比較,判斷膠帶的帶速,同時執行電路輸出相應的開關信號。既:在達到低于打滑速度時執行電路輸出相應的開關信號,使主機停機。,使用,由于安裝在回程膠帶的上面整機運行平穩,且避免了老式產品出故障時對膠帶的損傷。
3.殼體采用鋁合金鑄造,表面采用靜電噴塑涂覆工藝,漆膜均勻,附著力強。
4.整機防護等級較高,可達IP66,適宜惡劣條件下工作。
使用與安裝方法
先將固定支架焊在輸送機的橫梁上,再將支臂用銷軸、開口銷連接在支架上。
安裝后打滑檢測裝置按膠帶運行方向放置,觸輪距膠帶邊緣200-300m.
山東卓信出售XLQL-A取料機速度規格齊全
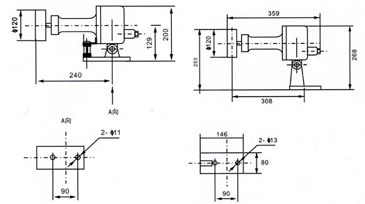
結構示意圖參考

保質保量
速度主要用于帶式輸送機防止膠帶打滑和取料機帶速聯鎖控制。產品適用于煤礦、碼頭、電廠、建材、化工等行業輸送散料用固定帶速帶式輸送機及取料機、卸船機等。
售前服務:
一、 提供技術咨詢:我們會在zui快的時間以內,根據您的需要為您提供任何技術及方面的咨詢及時對于您所關心的任何問題給予快速回復等等。
二、提供考察接待:我們歡迎您隨時隨地蒞臨公司現場考察,并為您提供任何便利條件。
售中服務:
一、 無論您是國外的客戶還是國內的客戶,打滑開關使用安裝:感應面與開關閘的距離4mm為佳,感應點可以是從動輪處凸出(面)部分(鐵類),也可以采用凹面作為感應面。如果從動輪側面無凹凸面,可以在從動輪內側骨架上焊接一厚度為7mm鐵片作感應面。感應面面積必須大于開關感應面(出廠時已配感應面)注:有些輸送機從動輪無法安裝的,打滑開關可安裝在于膠帶緊密接解且在膠帶運行中不會出現脫離膠帶能正常運轉的轉軸或滋輪處。某些安裝位置可能需要現場制作安裝支架,特殊情況下,如需要從新調節開關速度是時,打滑開關在安裝好開關后,啟運輸送機。在輸送機正常速度下逆時針方向調整開方微開關內部電位器,調整到動作指示燈連接方式:接線方式參照標牌所標線色。,無論您是我們的老客戶還是我們的新朋友,無論您的合同經額是大還是小,我們都將誠信、公平、熱情、嚴謹地同一對待;
二、 我們保證守時、保質、保量地嚴格執行合同規定的各項條款,并且為客戶提供的服務等。
售后服務:
質保期:自購買之日起,卓信銷售的產品非人為因素,質保 一年
是山東卓信自主研發制成、所生產的產品暢銷各地、廣大消費者的認可、我廠長期為客戶提供各種開關、網上發布的產品信息都是真實詳情描述、本公司所有產品均是自產自銷、且有大量現貨、為客戶提供17增值票、請您放心選購。
XLQL-A型取料機速度,XLH-T-S型打滑 ,XLLL-L型料流
XLLL-B型料流,XLLV-Q型料位開關,XLLV-Z型料流
XL-ZL-B型撕裂,XLZL-Y型撕裂,打滑檢測器安裝使用與接線安裝時,可按下述要求并滿足現場使用條件安裝在帶式運輸機上膠帶的下面,安裝后應保證膠帶有料情況下使打滑檢測器與膠帶面平行,同時膠帶無料運轉時檢測器觸輪與膠帶面應可靠接觸,且安裝位置保證在振動最小和膠帶抖動最小的地方。打滑開關當采用檢測器輸出軸和從動滾筒軸連接檢測膠帶實際帶速的方法時,可按安裝示意圖并選用柔性連軸器以保證產品工作正常。打滑開關使用時只要將產品按安裝示意圖安裝在相應的位置上即可,我廠提供的產品均是按用戶訂貨時提出的要求生產制造的。打滑開關由于理論上的帶速和實際膠帶運行速度有差異,用戶屆時可按我廠提供調整辦法適當的調整以切實適合正常工作狀態。比較、整形后進行計數。其計數值與預置數比較,判斷膠帶的帶速,同時執行電路輸出相應的開關信號。既:在達到低于打滑速度時執行電路輸出相應的開關信號,使主機停機。,XLS-I型堵塞
XLS-Y型堵塞,XLZS-I型自動灑水系統,XLZS-4T型處動灑水系統
XLJ型電動糾偏裝置,XLJ-Q型輕型電動糾偏裝置,XLXWK-I型限位開關
XLXEK-II型限位開關,XLBJ-A型聲光器,打滑開關:DH-3、DH-III、XT-SS-ID、XT-SS-1、XLDH-II、JDK-1、QDH-III、DH03E-1-W、SJK-1、SWEB001-2S/K、 BDH-III、MSD-3、DH02E-1-W、YHSJ-J、XT-SS-II、DH-LLI、GHLL-II、JDK-2、YHDH-2、XLDH-I、DH-II、SJK-01、YB/RDC-B、RH60-JC、YHSJ-II、YHSJ-I、XD-SS-II、XL-SJ-I、JYB-RDC-C、DH03E-1-W、ZXDH-III、XTD-SH、DH-I、SMS-PXK-B1、DH01E-1-W、XDH-HL、XLDH-F-S、SMS-PXK-BI、DHJY-II、SJK-I、QDH-II、KBJ-220Y、DH-1、DH02E-1-TH、DH-LLI、KGS-II、KGS-12S、DH-2、JYB/RDC-C、9SFAB-3HD、DH01E-1-TH、EXDH-III、XT-SS-1D、RH60-JC(DH-X、DH-F2、DH-SJ)、XT-SS-III、HQSK600/10,XLJT型金屬探測器
XLKZG-型多功能控制柜,XLSC-T型手持操作器,XLGSS鋼絲繩
XLFTW-I運輸膠帶防躺臥裝置,XLHC型緩沖床,XLXQ-III型輕型清掃器
XLXQ-II型輕型清掃器,XLXQ-I型輕型清掃器,XLXQ-Y圓盤式清掃器
H-I打滑開關,H-II打滑開關,H-III打滑,LL-I,LL-II料流
60-23P非接觸式打滑速度(欠速開關),ROS-2跑偏開關
ZXK-1,ZXK-2,ZXK-3阻旋式料位/料位開關
LCS-1,LCS-2溜槽堵塞,SPS-2拉繩開關
ZXSL縱向撕裂(撕裂開關),TBJ-100,TBJ-150聲光器
Copyright © 山東卓信機械有限公司 版權所有 魯ICP備12019670號
全國服務電話:0537-2839666 傳真:0537-2228358 百度地圖 打滑開關
公司地址:山東省濟寧高新經濟技術開發區 音叉開關